蓄冷罐的作用
数据中心中蓄冷罐最为主要的作用是起着类似电气系统中UPS的作用,在正常冷源由于电力中断、设备故障等情况导致供冷中断后,蓄冷罐可以作为应急冷源,实现继续对IT设备提供冷量,从而保证IT设备不会因为正常冷源故障导致出现设备高温报警、宕机等事故。
其次,在数据中心的日常运营过程中,可以利用蓄冷罐充冷/放冷与峰谷电价的相结合方式实现日常运营成本的降低。在夜间电价低谷时段,实现冷机对IT设备制冷的同时对储冷罐进行充冷操作;在白天电价高峰时段,关闭冷机,使用储冷罐中储备的冷量对外进行放冷,以实现在保障IT设备正常制冷需求的前提下有效降低运营成本。值得注意的是,在进行这种操作方式时,储冷罐放冷过程中需要注意放冷量,不能将储冷罐全部冷量放出,需要根据当时实际IT设备制冷量需求,在储冷罐中保留相应冷量,以避免储冷罐冷量不足期间出现正常冷源故障导致的冷源中断情况,毕竟配置部署储冷罐最基本的作用是作为应急冷源使用。一般储冷罐保留冷量需要满足15分钟IT设备冷量需要。
另外,在数据中心投入生产初期,由于受到IT设备上架量的影响整体负载不大。而冷水机组又存在单机制冷量大的特点,以至于在数据中心初期冷水机组能效低,导致运营成本增加,甚至由于负载太低导致冷机出现喘振的情况,对冷机产生严重影响。通过配置部署蓄冷罐,在对蓄冷罐充冷过程中,增加了整个系统的负载,提升冷机能效、避免喘振;在放冷过程中,关闭冷机,使用蓄冷罐作为冷源。

蓄冷罐的分类
蓄冷罐根据部署的方式不同可以分为立式蓄冷罐与卧式蓄冷罐;根据系统是否封闭可以分为开式蓄冷罐与闭式蓄冷罐。
蓄冷罐的原理
对于立式蓄冷罐,主要是通过散流器利用水在不同温度下的密度不同而形成一个相对稳定的状态,在冷热水混合交界处形成斜温层,斜温层的大小直接决定着立式蓄冷罐的蓄冷效率。
据查水的密度与温度密切相关,在水温>4℃时,温度升高密度减小。目前数据中心为提高效率、增加自然冷却使用时间,基本会使用15℃/21℃的中高温水。15℃水的密度是0.999126g/cm3,,21℃水的密度是0.998021g/cm3,根据密度不同,冷冻水的供回水在蓄冷罐内会实现自然分层。
对于卧式蓄冷罐,其内部会存在隔膜用以分割冷热水,以实现在水平方向上的冷热水分割。
蓄冷罐部署方式
根据蓄冷罐与冷机的连接方式不同,蓄冷罐的部署方式可以分为一级泵串联方式、一级泵并联方式以及二级泵共罐几种常见的方式,蓄冷罐具体连接方式存在多种方式,这里介绍三种个人认为简单方便的部署方式。
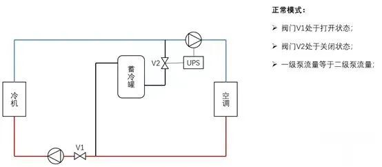
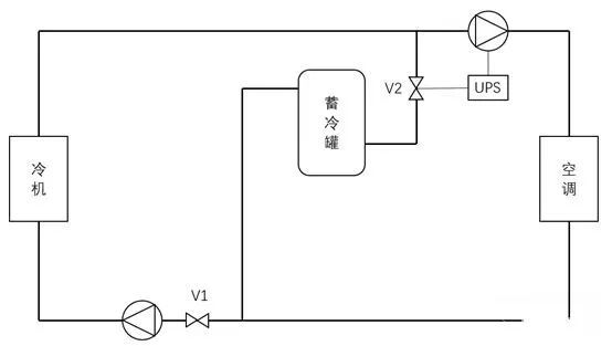
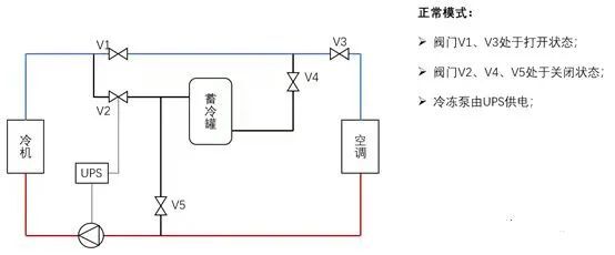
一级泵串联方式
在这种部署方式下,通过调整阀门的开关以及开度,实现对蓄冷罐的充放冷操作。
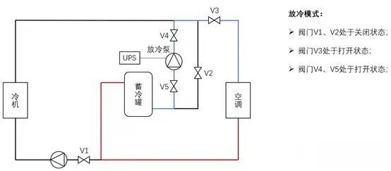
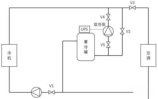
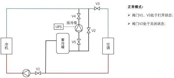
一级泵并联方式
这种部署方式,需要单独为蓄冷罐设置一个放冷泵,用于蓄冷罐在放冷过程中使用,由于蓄冷罐放冷是由于市电中断导致的,所以放冷泵需要UPS供电。
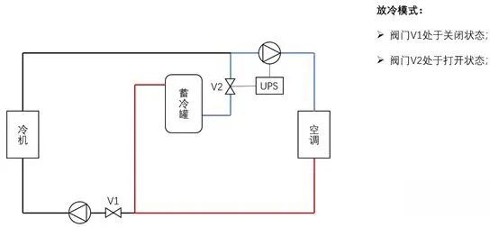
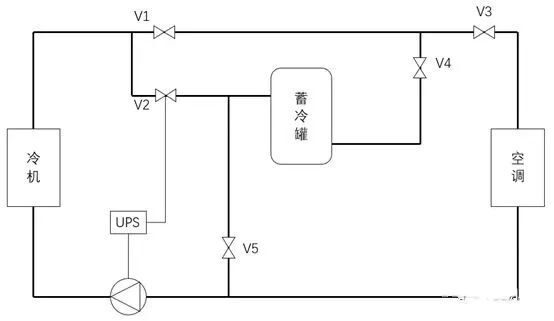
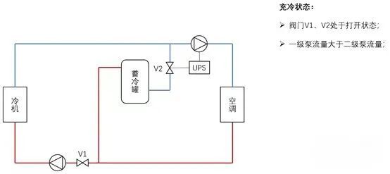
二级泵共罐方式
对于冷冻水系统采用二级泵结构的,可以采用这种部署方式。使用过程中需要注意一级泵与二级泵的频率,在保冷模式一级泵、二级泵流量相等,充冷模式下一级泵流量要大于二级泵流量。
对于蓄冷罐的配置部署方式,不仅局限于上述几种方式,具体的部署方式可以根据实际情况综合考虑。
总的看来,在电气系统中,数据中心都会通过配置部署UPS设备作为市电中断后的缓冲,为柴油发电机启动、并机争取时间,从而实现市电中断不会对IT设备的正常供电产生影响;而蓄冷罐在某种维度可以理解为暖通系统中的UPS。作为应急冷源,为市电中断冷机停机后,柴油发电机供电之前为IT设备提供冷源。同时合理使用蓄冷罐还可以有效的降低数据中心运营费用,避免设备使用不合理等情况


客服1